概念:電力概略図
難易度:上級
電力概略図は、照明仕込み図上にある、電力計算に関与するすべてのオブジェクトの概略図で構成されます。照明仕込み図と電力概略図には、同じオブジェクトが異なる方法で示されます。照明仕込み図は、物理的な世界を縮小した図面です。一方、概略図は信号の流れを示すように配置されています。この機能は、Spotlightの照明仕込み図の技術と、ConnectCADの概略図作成機能が組み合わせられたものです。
概略図では、同じ階層レベルにある器具が縦に並んで表示され、信号の流れが左から右へと示されます。器具は、互いに交差する回路の数が最も少なくなるように配置されます。

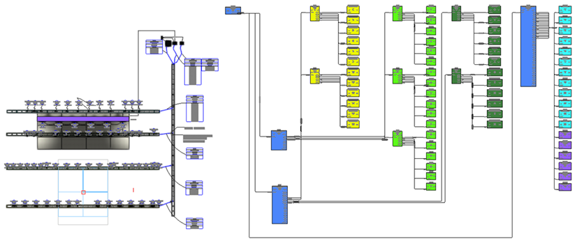
照明仕込み図(左)と電力概略図(右)
Create Power Schematicコマンドを使用すると、照明仕込み図から電力概略図を生成できます。このコマンドでは、以下の処理を行います。
電力の計算に寄与するオブジェクトについて選択したレイヤを探します。
Spotlightの照明器具と分配器を検出します。
指定したレイヤ上の照明器具と分配器に対して、概略図の器具を作成します。
器具にソケットを追加します。追加されるソケットの数は、分配器の使用可能なポートに基づいて決まります。ソケットには、Spotlightの命名規則に従って名前が付けられます。
照明器具と分配器がすでに電力パッチされているか、ケーブルで接続されている場合は、器具を接続する回路を追加します。照明仕込み図では、回路とケーブルが関連付けられます。
照明仕込み図上の照明器具および分配器と、概略図上の器具の関連付けを作成します。デイジーチェーン構成で接続された照明器具は、電力概略図にソケットループが表示されます。デイジーチェーン接続されたすべての照明器具の電力消費は、分配器において合計されます。
このコマンドでは、既存の電力概略図の更新や計算済み電力値の更新も行えます。器具または回路がすでに存在する場合、このコマンドでそれらが重複して作成されることはありません。
信号の流れが追跡できるように、照明器具と分配器からの電力レコードが関連付けられた概略図の器具に添付されます(電気系統に電力パッチするを参照)。器具内のリンクされた文字(文字をレコードフォーマットに連結するを参照)は、電力レコードのフィールドを示します。
照明仕込み図の照明器具、分配器、およびケーブルを編集すると、概略図の関連付けられた器具および回路が更新されます。同様に、概略図の器具および回路を編集すると、照明仕込み図の関連付けられた照明器具、分配器、およびケーブルが更新されます。ケーブルが照明仕込み図に自動的に追加されるかどうかは、Spotlightのケーブルデフォルト設定(ケーブルを設定するを参照)で制御されます。
ケーブルまたは接続を照明仕込み図から削除すると、概略図上のその回路が削除を示すマークアップ曲線と置き換えられます。同様に、概略図から回路を削除すると、照明仕込み図のケーブルが曲線と置き換えられます。マークアップを削除するには、Clear Markupコマンドを選択します。
レポートを作成コマンドを使用して、電力使用状況を報告するさまざまな種類のワークシートおよびスケジュールを作成できます。Power Schematicコマンドを選択した後に、電力ワークシートを更新してください。データの可視化を使用して、過負荷回路などのエラーをチェックすることもできます。
電力概略図の設定を指定する
|
コマンド |
作業画面:パス |
|
Power Schematic Settings |
Design Suite 2026:エンタテインメント>ケーブル/電力計画 Spotlight 2026:舞台照明>ケーブル/電力計画 |
電力概略図を作成する前に、電力概略図のデフォルト設定をセットアップする必要があります。設定は現在のファイルに適用されます。
電力概略図の設定を指定するには:
コマンドを選択します。
Power Schematic Settingsダイアログボックスが開きます。
General Settingsペインをクリックして、全体のデフォルトパラメータを設定します。
クリックすると、パラメータの表示/非表示を切り替えられます。クリックすると、パラメータの表示/非表示を切り替えられます。
|
パラメータ |
説明 |
|
Schematic Objects Grid |
概略図でのオブジェクトの初期サイズを制御します。 |
|
Symmetrical |
Y方向の設定がX方向の設定と同じになるよう拘束され、縦横同比率のグリッドになります。 |
|
Grid X / Grid Y |
X方向およびY方向のグリッドの寸法を設定します。Symmetricalを選択した場合、Yの設定はグレイ表示されます。 |
|
Device Units |
|
|
Power |
器具の電力要件のワット数またはキロワット数を指定します。 |
|
Weight |
重量の単位を選択します(キログラムを使用すると最も良い結果が得られます)。 |
Cable Lengthsペインをクリックします。回路のデフォルトのケーブル長のリストを変更できます。選択した回路のオブジェクト情報パレットからCable Lengthを選択します。
クリックすると、パラメータの表示/非表示を切り替えられます。クリックすると、パラメータの表示/非表示を切り替えられます。
|
パラメータ |
説明 |
|
Cable Lengthsリスト |
使用可能なケーブルの長さが一覧表示されます。 どの項目も行内で編集できます。 |
|
Add |
新しいケーブルの長さをリストに追加します。新しいケーブルの長さは、ユーザーフォルダに保存されます。新しい項目の行を行内で編集して、新しいケーブルの必要な長さを入力します。 |
|
Delete |
選択した項目をリストから削除します。 |
|
Restore Defaults |
ケーブルの長さをデフォルト値に戻します。 |
電力概略図を作成する
|
コマンド |
作業画面:パス |
|
Create Power Schematic |
Design Suite 2026:エンタテインメント>ケーブル/電力計画 Spotlight 2026:舞台照明>ケーブル/電力計画 |
このコマンドを使用すると、選択したレイヤ内の照明器具および分配器に基づいて電力概略図を作成できます。また、既存の電力概略図の更新や計算済み電力値の更新も行います。
このコマンドでは、既存の電力概略図および計算済み電力値の更新も行えます。器具または回路がすでに存在する場合、このコマンドによってそれらが重複して作成されることはありません。
照明器具と分配器がすでに電力パッチされているか、ケーブルで接続されている場合は、概略図の器具が自動的に接続されます。電気系統に電力パッチするを参照してください。
後からオブジェクトにパッチを適用することもできます。パッチが発生すると、回路が概略図に自動的に作成されるか、ケーブルが照明仕込み図に追加されます。ケーブルデフォルト設定ダイアログボックスで、デバイス同士を接続したら自動でケーブルを作成するオプションを選択する必要があります。ケーブルを設定するを参照してください。
選択したオブジェクトに電力パッチコマンドを選択し、選択した照明器具にパッチを適用します。関連付けられた器具の回路が概略図のレイヤ上に自動的に作成されます(コマンドで電力パッチするを参照)。
Connect Selectedコマンドを選択して、選択した機器を接続し(またはConnectツールで回路を描画し)、照明仕込み図にケーブルを自動描画して、関連付けられたオブジェクトに電力パッチします。
電力概略図を作成するには:
コマンドを選択します。
Create Power Schematicダイアログボックスが開きます。
クリックすると、パラメータの表示/非表示を切り替えられます。クリックすると、パラメータの表示/非表示を切り替えられます。
|
パラメータ |
説明 |
|
レイヤリスト |
照明器具および分配器のあるレイヤを選択して、電力概略図の基礎として使用します。Use列のチェックマークは、そのレイヤが対象となることを示します。 |
|
Select All Layers/Deselect All Layers |
すべてのレイヤを選択するか、すべてのレイヤを選択解除します。 |
|
Destination Layer |
電力概略図を作成するレイヤを指定します。 |
固有の各照明器具オブジェクトおよび分配器オブジェクトに対してConnectCADの器具が作成され、指定したレイヤに配置されます。
必要に応じて、概略図内での器具の場所を調整します。

器具に関連付けられたSpotlightオブジェクトを表示する
簡易器具に関連付けたSpotlightオブジェクトを表示するには:
概略図の器具を選択します。
オブジェクト情報パレットのShow Spotlight Objectをクリックします。
ビューが照明仕込み図のレイヤに切り替わります。必要に応じて拡大してから、オブジェクトを選択します。
