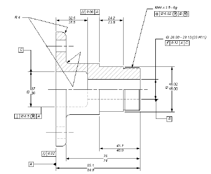
幾何学的図形の寸法記入および公差決定
Vectorworks Design Suite製品は、ISOおよびANSI、ASMEの幾何学的図形の寸法記入と公差決定の規格に準拠した図面寸法の記入に必要なツールを備えています。

公差記入枠は、デフォルトで寸法クラスに挿入されます。このクラスのパラメータを編集することで、これらのマーカーの外観を一括して制御できます。ファイル全体のテキストの特性(フォントサイズやスタイル)を制御するには、クラスに文字スタイルを割り当てます。文字スタイルを適用するか文字メニューのオプションを使用して、個々のマーカーの書式を設定することもできます。
クラス属性の編集やテキストのフォーマットに関する詳細は、クラスを設定する、文字の書式設定をする、および文字スタイルを使用するを参照してください。
